Россия, Краснодарский край, Туапсе, улица Карла Маркса
Телефон:
+7 (918) 997-44- Показать номер
Пн-пт: 08:00—17:00 (перерыв 12:00—13:00)
whatsapp telegram vk email

Самодельная цифровая приставка осциллограф к компьютеру своими руками

image

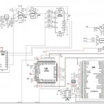
Схема и сборка устройства

Существует много схем для изготовления цифрового USB-осциллографа своими руками. Не все доступны для неопытного радиолюбителя. Наиболее легким является сборка устройств на основе звуковой карты, так как здесь нужно собрать только делитель для увеличения порога входящего напряжения.

Подключение через USB

USB-осциллограф сложный в изготовлении своими руками, но высокоточный прибор с большим диапазоном по частоте. Детали для него можно приобрести в магазине или заказать через интернет. Список запчастей следующий:

  • двусторонняя плата с готовыми дорожками;
  • АЦП AD9288−40BRSZ;
  • система собирается на процессоре марки CY7C68013A;
  • резисторы, трансформаторы, конденсаторы, дроссели — номиналы указаны на схеме;
  • паяльник и монтажный фен, паяльная паста, флюс и припой;
  • провод с площадью сечения 0,1 мм2 и лаковым покрытием;
  • тороидальный сердечник для изготовления трансформатора;
  • чип памяти EEPROM flash 24LC64;
  • реле с управляющим напряжением не более 3,3 В;
  • операционные усилители AD8065;
  • преобразователь постоянного тока DC-DC;
  • USB коннектор;
  • стеклотекстолит;
  • разъемы для щупов, корпус для платы.

Что такое прототипирование – особенности прототипов сайта и приложения

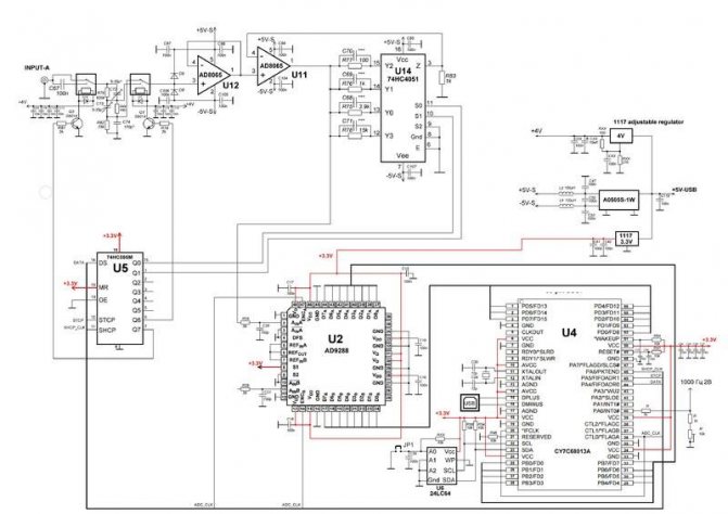
Схема устройства приведена ниже.

image

Так как используется двусторонний монтаж, то самостоятельно плату с дорожками изготовить не получится. Надо обратиться к производственному объединению, выпускающему подобные изделия, и сделать заказ со следующими условиями:

  • стеклотекстолит, на котором будет размечена схема, должен иметь толщину не менее 1,5 мм;
  • толщина медных дорожек не менее 1 унции (OZ) или 35 мкм;
  • сквозная металлизация отверстий;
  • лужение контактных площадок для лучшего припаивания элементов.

Получив заказ, можно приступать к сборке. Вначале собирается конвертер DC-DC, для получения двух постоянных напряжений: +5 В и -5 В. Изготавливается он отдельно от основного устройства, а затем подсоединяется экранированным кабелем.

Далее аккуратно припаять элементы схемы. Особенно быть осторожным при пайке микросхем, не допускать увеличения температуры паяльника выше 300°С.

Разместив изготовленное устройство в корпусе, подключить его к компьютеру через USB разъем. После этого перемкнуть перемычку JP1.

Использование аудиокарты

Осциллограф из внешней звуковой карты — малобюджетный и простой в изготовлении осциллоскоп к компьютеру или ноутбуку. Более всего подойдет начинающим радиолюбителям. Можно использовать как внешнее, так и внутреннее звуковое устройство.

Входное напряжение для внутренней звуковой карты компьютера не должно превышать 0,5-2 В. Чтобы измерить сигнал с амплитудой более 2 В, необходимо подать его на компьютер через делитель напряжения. Собирается аттенюатор по следующей схеме.

Подаваемое напряжение уменьшается в 100, 10 или 1 раз, в зависимости от величины. Для этого щупы вставляются в соответствующие разъемы. Точная настройка происходит через подстроечный резистор. Диоды предохраняют от случайной подачи напряжения более 2 В.

Конструкцию разместить в металлической коробке для устранения возможных наводок. Провод, подключаемый к звуковой карте, должен быть коротким с медной оплеткой. Для создания второго канала необходимо продублировать устройство. Если на карте есть несколько входов, то выбрать с наименьшим внутренним сопротивлением.

Что делать, если Windows не видит и не отображает дисковод в системе

Ниже рассматривается схема с использованием внешней USB звуковой карты стоимостью около 2 долларов.

Кроме адаптера понадобятся:

  • сопротивление на 120 кОм:
  • коннектор mini Jake;
  • щупы для измерений.

После приобретения всех запчастей проделать следующие шаги:

  1. Вскрыть аккуратно адаптер, так, чтобы не сломать защелки. Внутри будет небольшая плата.
  2. Снять конденсатор C6 и поставить на его место сопротивление на 120 кОм.
  3. Припаять к щупам коннекторы mini Jack вместо оригинальных и вставить их в адаптер.
  4. Скачать архив с драйверами устройства и распаковать его в папку. Вставить гаджет в компьютер.
  5. Компьютер запросит драйвера на новое устройство.
  6. Установить их, указав путь к папке.
  7. Нажать на кнопку «Далее» для установки драйверов.

Перед использованием осциллограф необходимо настроить.

Устройства с подавлением колебаний

Осциллографы с блоком подавления колебаний используются в наше время довольно редко. Подходят они больше всего именно для тестирования электроприборов. Дополнительно следует отметить их высокую вертикальную чувствительность. В данном случае параметр предельной частоты в цепи не должен превышать 4 Гц. За счет этого стабилитрон во время работы сильно не перегревается.

Делается осциллограф своими руками с применением микросхемы сеточного типа. При этом необходимо в самом начале определиться с типами диодов. Многие в данной ситуации советуют применять только аналоговые типы. Однако в этом случае скорость передачи сигнала может значительно снизиться.

Программы, эмулирующие работу осциллографа

Обработкой сигналов, поступающих на вход компьютера или ноутбука занимаются виртуальные осциллографы. Эти программы имеют интерфейс, схожий с экраном реального осциллографа. Часть приложений предназначена для работы с устройствами на основе звуковых карт, другие взаимодействуют с USB-осциллоскопами.

Программы, работающие через аудиовхода:

  1. Digital Oscilloscope;
  2. SoundCard Oszilloscope;
  3. Российская разработка «Авангард».

Софт для USB-осциллографов:

  1. Aktakom OscilloscopePro.
  2. Simplescope.

Все виртуальные приборы являются двухканальными, снабжены генераторами частот, анализаторами. Проведенные измерения и осциллограммы можно сохранять на ПК. Обычно их не нужно инсталлировать. После распаковки архива и запуска программы появляется интерфейс реального осциллографа с регуляторами настроек.

Методы работы

Компьютер — цифровое устройство, поэтому для измерения аналогового параметра необходимо перевести сигнал в дискретный вид. Для этого используется АЦП — аналогово-цифровой преобразователь. Для вывода данных применяют ЦАП — цифро-аналоговый преобразователь.

Звуковая карта компьютера дискретизирует входящие аналоговые сигналы, подключаемые к входам LINE IN и MIC.

Поэтому аудиоплату можно использовать в качестве АЦП для подачи на компьютер или ноутбук измеряемого сигнала. Так как человек слышит звук в диапазоне 4Гц- 20кГц, то соответственно и аудиокарта работает в низкочастотном спектре. Полученный осциллограф также будет работать в указанном диапазоне.

Еще одним недостатком в работе «звукового» осциллоскопа является ограничение по напряжению, подаваемому на вход. Оно должно быть в пределах 0,5 В для входа MIC и до 2 В для LINE IN. Подключение сигнала амплитудой более 2В выведет из строя звуковую карту или компьютер.

Из-за конструкционных особенностей аудиокарты — наличие разделительного конденсатора на входе, постоянная составляющая электрического тока не будет показана на осциллографе. Но, используя приложение, можно ее измерить. Подавать сигнал лучше на вход LINE IN, так как он имеет наименьший уровень шумов. Минимальный уровень сигнала, который можно измерить — около 1мВ.

Использование таких осциллоскопов ограничено по частоте. Ими можно снимать показания с усилителей, магнитофонов, различных звуковых девайсов, а также микросхем, работающих на частотах до 20 кГц.

Правила зарядки литий-ионных аккумуляторов

На высоких частотах применяется USB-осциллографы, имеющие больше возможностей. Минусом таких устройств является высокая цена.

Ссылка на основную публикацию
Похожее